WARNING: Note that some cheap meters are not suitable for use with 230 VAC AC mains. Some meters may have AC voltage ranges able to conceptually measure to well above AC mains voltage BUT have internal componentry not certified, suitable or safe at eg 230 VAC. Use of such meters to measure such voltages is akin to a safer than usual game of "Russian Roulette" which still may end in death.
_________________
Failures may occur to power dissipation in components or to voltage breakdown even when power dissipation is within bounds.
Voltage ranges are usually less stressed than most other ranges when overrated.
Auto-ranging meters start at the highest range and work down until the reading becomes a certain percentage of full scale on that range. Switching can be via eg MOSFETs used to either short resistors in dividers or to pick voltages from appropriate tapping points.
In cheap meters protection is limited.
Current much over 200 mA on low current ranges will usually blow the internal fuse.
Too high current on the high amps range (10A, 20A, will blow the shunt or a fuse if fitted.
High voltage on lower voltage AC or DC volts or on current ranges will sometimes destroy the meter (Ask me how I know :-) ).
All that said: Over ranged inputs will not necessarily stress other than the input circuitry. Higher than minimum necessary input resistor wattages can protect short term. Zener diodes or other clamps can stop high voltage getting into the circuitry proper.
Very keen manufacturers can provide electronic switches. These can be a simple as a high voltage MOSFET in series with the input) which can be turned off when needed. This will add some error due to voltage drop but this can be controlled and designed for.
So eg an overvoltage condition is applied to a current input, the input resistor starts to dissipate excessive power, the inside end of the resistor is clamped by a zener or TVS (transient voltage suppressor) and a fast MOSFET switch is triggered to disconnect the overload. The higher than necessary power dissipation rating of the input circuitry provided enough time for the protection to act.
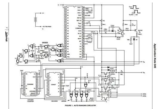
Real world example:
This Intersil application note -
AN046 Building a Battery Operated Auto Ranging DVM with the ICL7106 provides specific examples of the design of autoranging equipment and how the issues involved are addressed.
Here is how the front end looks conceptually:

and here is how it ends up in practice

http://www.intersil.com/content/dam/Intersil/documents/an04/an046.pdf