Stack Exchange
Engineering Stack Exchange
Questions
Tags
Users
About
Engineering Stack Exchange
Public
Questions
Tags
Users
About
Schematic Reading - Fluid Control Limit Switch Question
Asked
Oct 10 '15 at 17:14
Active
Oct 11 '15 at 23:28
Viewed
199 times
6
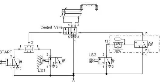
Does limit switch
LS1
remain pressed on until the piston moves to
LS2
?
mechanical-engineering
sensors
pistons
edited Oct 11 '15 at 23:28
Ethan48
4,561
19
42
asked Oct 10 '15 at 17:14
Anna Clarke
69
1
0 Answers
0