I have a problem that I believe there is a solution to but I'm lacking in the knowledge on how to do so.
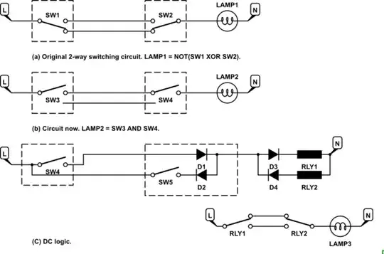
There two switches in a building. Both are single pole single throw switches and cannot be changed or replaced.
I need to make these operate like a standard 2 way switch you'd find at opposite ends of a hallway to control a single light.
There are cables for live, neutral and ground, with two travelling wires between both switches.
I've seen somewhat similar questions answered by suggesting the addition of a flip flop switch or a relay, but I'm not confident on how they work so don't want to risk a short circuit.
Would anyone here be able to advise on this? I would gratefully appreciate any input.
