I need to know how the LED light of a USB card reader that indicates the data transfer works?
Is it possible to create such a light using transistors and putting that circuit parallelly with a data cable connected to a USB storage drive?
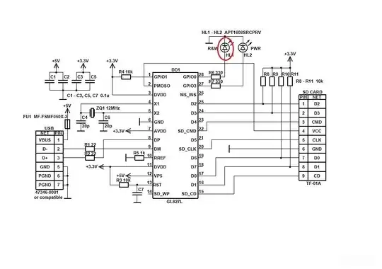
In this diagram how that LED connected with the GPIO0 pin works?
I was talking about the light that blinks in this video.
https://drive.google.com/file/d/1odw-TqbCfqCP_JEQI6smA7dSSWmZ1QNp/view?usp=drive_link
