4

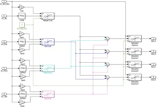
Within MATLAB Community, I found an example of a simple quadcopter model control built with Simulik and SimMechanics, The controllers handle position and orientation control. I want to extend this controller and add a speed controller (Quadcopter Vx,Vy,Vz), and keep the position control as well. What should be my starting point? I believe I can't use two PID controllers for the same input since they'll interfere with each other, thus one PID will oscillate. The current controller is given below:

Controlling 4 motor of quad with PID and saturation logic

What would you suggest I should start with? I intend to use MATLAB/Simulink. Thanks for the information in advance. Note: I have every sensor I need on the model to measure errors.

mozcelikors
  • 141
  • 3

1 Answers1

4

As you mention, PID control is for Single Input, Single Output (SISO) control. If you want Multi Input, Single Output (MISO) or Multi Input, Multi Output (MIMO) control, you need to look at other methods of control, such as Linear Quadratic Regulators (LQR) or state space control.

MATLAB has a control system toolbox that will do both, and every quality control text will cover both in explicit detail.

Chuck
  • 3,575
  • 15
  • 32