Question
How to turn off Rpi4B case's cooling fan without pulling the power plug?
Answer

There are many ways, including the following:
(1) Get a case with a manual power switch (Reference 2).
(2) DIY a manual cable power switch (Appendices A to C).
(3) Using Rpi GPIO to control a software switch to turn on/off the power supply for the cooling fan (Ref 6, Appendix C)
(4) Use a WiFi power plug, such a Sonoff (Ref 8 ~ 23).
(5) Use extreme passive cooling (Ref 24), using effective heatsink
which is even better than a cooling fan.
(6) @Dmitry Grigoryev points out one thing I never thought of -
When Rpi is shut down, 3v3 is also shutdown, even 5V power to Rpi is
still on. So there are two get arounds, (a) Use Rpi 3V3 to drive the cooling fan, (b) Use a step up regulator to convert Rpi 3V3 to 5V, or even to 12V to drive a cooling fan.
(7) Ref 24's extreme passive cooling WITHOUT a fan performs better than a regular cooling fan. So this the quietest or perfect solution. Another similar method is to use the ICE Cooling Tower Fan 2.0 (Ref 27), which, if not using fan, should be as good (I guess) as the OP's cooling fan. (I once used a similar water circulation tubing heat sink PC graphics card, WITHOUT a fan, therefore very quiet, and PC chassis also uses fans with double bearing, or magnet bearing,so very quiet for my recording studio, ...)
Discussions
Discussion Notes #1 - 2019oct04 hkt1635
The OP commented that my answer does not meet his requirement, which is summarized below:
Lying in bed, after watching a movie, shut down the Rpi as a PC, without leaving the bed. Therefore a local switch near the Rpi but too far from bed won't do.
Now let me consider some cases and see if I can produce a real solution.
Case 1 - The OP sits in front of Rpi on a desk, starts the VLC Media Player, selects a movie, then walks to his bed, lies on bed and starts watching the movie. He does not want to leave the bed anymore, and wishes NOT to get up and walk to the wall socket to switch off the wall wart.
Now either he changes his present Rpi case without a manual power switch to a new one with manual power switch, or DIY his own switch, IF the switch is "local" to Rpi but remote from bed, then he has to get up to reach the switch.
In other words, if the switch either comes with the Rpi case, or DIY inserted, does NOT solve the problem.
Case 2 - I have thought about a couple of more possible solutions, including the following:
(2.1) Use a mobile phone to switch Rpi, and then case power,
(2.2) Use a remote controller (similar to TV remote) to switch off Rpi and then case power, or just cooling fan power, which is easier.
(2.3) Lengthen the power cord at either or both ends of the manual power switch (Appendix A, Tamiya socket labelled "B"). This way, the OP needs to carry the switch with a dangling long power cord to bed. But this method is easy. One problem is that Rpi won't be properly shutdown.
(2.4) use a WiFi power socket, ...
(2.5) Extract the two wires connecting to the fan, extend the wires and added manual switch. This is easy but messy.
I need to ask the OP to confirm if I indeed understand his situation, and more details of his user requirements, before I suggest more solutions.
Discussion Notes #2 - 2019oct05 0938
Case 3
(3.1) Use a USB powered cooling fan, extend the USB cable to bedside, and without leaving the bed, just pull the USB plug to turn off the fan (Ref 7). This 40mm cooling fan is brushless, double bearing, and might be much more quiet than your Rpi case's built in fan. You can also find "magnetic" bearing which is even more quiet.
(3.2) And you can add temperature sensed PWM fan speed control, so if the Rpi is not playing video, Rpi becomes cool, the fan will automatically run at very low speed, or even stops. Now you can have a nice sleep, ...
Case 4 - Updated 2019oct06hkt1204
In Case 2.4 above, I suggest using a WiFi power switch such as Sonoff, but I am not sure if the OP is confident to to the wiring of 200VAC wires. I also googled IoT Stack Exchange and found 50+ posts suggesting using a WiFi power switch, including how to use Sonoff's GPIO pins to do other things (Perhaps turning on/off the OP's case's cooling fan, as well as the Rpi power.)
Again, this is a bit risky and not recommended to newbies. So in case if the OP is interested in the approach,
I would suggest the OP to move this question to IoT Stack Exchange, ...



For those those are interested to learn about Sonoff, IoT MQTT, ESP8266 etc, and dare not to touch the dangerous 200VAC mains, you can consider doing the following experiments.
(1) Open the Sonoff cover (it is hacker friendly, takes your less than 3 seconds)
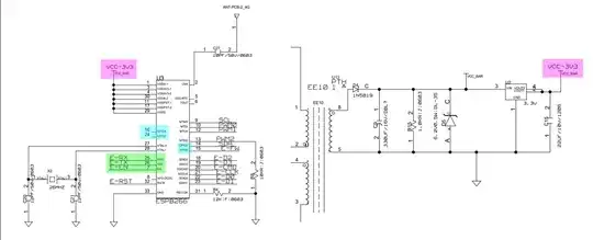
(2) Study the schematic, find where the AC200V to 3V3 transformer output, remove the AC circuit, supply your own 3V3 power. Update (Ref 22 Youtube has a very good description of how NOT removing AC to DC converter circuit and can just supply your own 3V power from Win10 USB to UART TTL.)
(3) Find the ESP8266 chip's TxD, RxD, GPIO pins and use Rpi ESP8266 IDE to program the ESP8266.
There is a tutorial (Ref 20) on how to use LUA to program the ESP8266/ Sonoff smart switch. This tutorial is simple because it does not make use of any cloud, third party server, MQTT broker, you just use your smart phone to WiFi talk to ESP8266 whose pins can do the following: (1) switch on/off Rpi (logic or power circuit), (2) switch on/off cooling fan, with the help of ddriver 2N2222.
WARNING: I myself have not tried it. So there is no guarantee that
something won't explode!
/ to continue, ...
References
(1) Rpi4 Case without manual power switch
(2) Rpi4 Case with a power switch
(3) The manual power switch to DIY
(4) 250V 3A ~ 5A manual power switches
(5) How to strip the power wires
(6) Using LM2596 and LM2941 to switch on/off PSU/currenct
(7) Amazon 40mm x 10mm 5VDC USB Brushless Cooling Fan, Dual Ball Bearing - $14/2 pcs
(8) Sonoff Smart Remote Control Wifi Switch Compatible with Alexa Iphone Android - $22
(9) Sonoff Product Info
(10) Sonoff User Guide
(11) Six Sonoff Secrets: Storage, Safety, Switches, Sensors, Software, and Sites
(12) Sonoff Basic WiFi Smart Switch Review (YouTube)
(13) How to Use MQTT With the Raspberry Pi and ESP8266 - Thomas Varnish
(14) Make your own Sonoff WiFi switch using ESP8266 and MQTT 2017aug09
(15) Sonoff / Tasmoto Garage Door sensors
(16) Are all SonOff GPIO mains isolated? - IoT StackExchange 2019sep19
(17) Manual Override Button for Sonoff Basic - IoT StackExchange 2019sep19
(18) Sonoff basic- GPIO’s - IoT StackExchange 2019sep02
(19) DIY Add a Sonoff To Home Thermostat
(20) Lua application for management Sonoff WiFi Smart Switch
(21) Sonoff Schematic
(22) Sonoff - A $5 Alexa-Controllable, WIfI Outlet Tutorial 169,199 views 2017mar24
(23) Sonoff Official Website
(24) Raspberry Pi 3: Extreme Passive Cooling 591,625 2016may08
(25) tlfong01's ESP8266-12 and LUA Learning Notes 2018
(26) tlfong01's MQTT/Mosiquito Learning Notes
(27) AliExpress Ice Tower Cooling Fan V2.0 - US$20
(28) Amazon CPU Water Cooling Pump Tank for Desktop Computer
(29) AliExpress PWM 40mm, 12V, 400mA, 5W, 28,000rpm, 4wire, Double Ball Bearing, 16.3cm, 58dB, CPU Cooling Fan - GreenTech SanYo SanAce, US$4
Appendices
Appendix A - Power Switch DIY Notes 1 - Cutting power cord to insert switch

Appendix B - Power Switch DIY Notes 2 - Switch inserted

Appendix C - Rpi4B + PSU - Power Switch Testing OK

Appendix D - Using A Software Switch to switch on/off cooling fan power


Appendix E - Sonoff Smart Remote Control Wifi Switch
Product Spec
Supports 2.4G WIFI router and 2/3/4G mobile network (5G router not
supported)
Power Input - 90 ~250VAC
Maximum load current - 10A
Only use “eWeLink” free app.
Security Mechanism: WEP/WPA-PSK/WPA2-PSK
Features
Remote ON/OFF: Turn electrical devices on/off from anywhere
App Support: Free IOS and Android mobile App eWelink
Sync Status: Real time device status provided to App
Timing: Set scheduled/countdown timers to turn on/off at specified
time
Scene: Turn on/off a gang of devices one tap
Smart Scene: Trigger on/off by temperature, humidity or other
environmental conditions
Control Options
Voice Control
Sonoff Basic Switch works with Amazon Echo,Echo Dot,Amazon Tap and
Google Home to manage your devices through Voice control
Remote Control
Sonoff Switch transmits data to a cloud platform through the Wi-Fi
Router, which enables you to remotely control the connected
appliances, via free eWeLink App.You can download the iOS version in
App Store and the Android version in Google Play.The App eWeLink
enables you to control your devices easily
Timer Control
Set timing schedules for the appliances, which can include countdown,
scheduled on/off
Setup Guide
Switch off electricity source
Open the covers at both ends
Connect the two electricity source cables (Live and Neutral) to the ports with “IN” mark, one cable for one port, and there’s no
limitation for which port to connect
Connect the two appliances cables(Live and Neutral) to the two ports with “OUT” mark, one cable for one port, and there’s no
limitation for which port to connect make the cover install firmly
End of Answer