1

enter image description hereI try to connect a Sensirion SPS30 Particle Sensor to my Raspberry Pi 3B via I2C. There are other sensors on the I2C Bus - and they work without any problems, but I fail to detect the SPS30.

What I have tried:

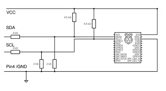
  • The SPS30 is connected to 5V, Pins 4 & 5 are connected to GND
  • I use a splitter (3K/2K) to connect SDA/SCL, and the I2C lines are all pulled-up to 3V (it doesn't work without any pull-up/pull down resistors, I think I tried many possible combinations)
  • I've set the baudrate to 100,000 (dtparam=i2c_arm=on,i2c_arm_baudrate=100000)

None of this seems to work.

Does anyone have any suggestions what else to try?

uname -a
Linux raspberrypi 5.10.17-v7+ #1403 SMP Mon Feb 22 11:29:51 GMT 2021 armv7l GNU/Linux
Gux
  • 133
  • 3

1 Answers1

1

It is unclear what you are trying to do but this is certainly not the way to do it.

The Pi has pull-ups on I²C lines so none are needed.

The series resistors will effectively prevent anything from working; I²C uses open drain circuitry.

Most I²C devices will work at 3.3V if there are no pullups to 5V, occasional devices need higher voltages and require a level converter.

See rPi3 I2C-LCD, do i need a logic level converter?

Milliways
  • 62,573
  • 32
  • 113
  • 225