Its not possible I am afraid.
The model A is missing the LAN/USB chip marked in the image. The BCM has 1 USB port, which on the Model B is connected to the LAN/USB Chip. This chip gives extra 2 USB ports that are connected via the PCB routes to the extra pins you wish to use. The other one is connected to the built in LAN interface (inside the IC), so in total 4.
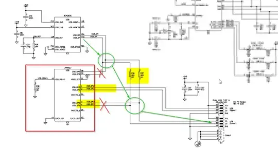
In Model A, the red box is missing, so the USB trace goes to NC (No connect) but the alternative route is bridged(highlighted in yellow box) which goes directly the the single USB plug. If you look at the second USB trace it just goes to the LAN/USB IC, which is NC. In Model B, the yellow highlight box is not connected and the USB is connected to the HUB. And from there one trace joins back to the original USB trace and another isolated trace connected to the USB(Highlighted rectangle)

The Model A lacks this chip, and uses an alternative PCB route that is only connected to the one connector. The other one goes no where.

Alterantivly you can get your own IC and hack the Pi to have 7 ports (1 of which is connected to the existing port) using a Maxim 4999 IC. But soldering to this IC by hand is almost impossible by home DIY.

Another way would be to buy a mini USB hub, take it apart and attach it the Pi. Using a USB cable that goes into the HUB and then you get 4 more ports. But you may as well just use the HUB in its original state.
