I'd like to connect my Raspberry Pi and my Arduino Uno with SPI. I saw a solution here, but sy wrote at the end that this is wrong, because Raspberry Pi transmitting/recieving 3,3V on the pins and Arduino on 5V.
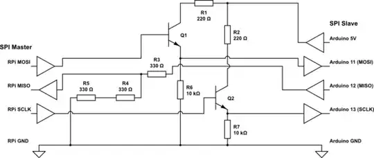
So I made up my mind to solve this. This is what I have in mind:

simulate this circuit – Schematic created using CircuitLab
Is it OK?
UPDATE 1:
Here I read that Arduino input pins are high-impedence inputs, they draw about 1uA current. Also logical HIGH is above 2V (to be sure 2,7V). And 3,3V is above it. So a simple cable from a Raspberry output to Arduino input is suitable.
Here I read that "never source or sink more than 0.5 mA into an input pin" (on Raspberry Pi). So R=5V/0.5mA = 10K resistors is needed in the voltage divider.