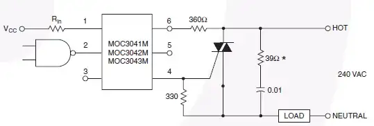
I want to switch ON and OFF an incandescent bulb using MCU. Please suggest an electric switch (like relay or something) for 220V 50Hz AC line which can be used here. I would prefer something very cheap to keep the total project cost minimum.
EDIT: Don't limit this to incandescent bulb. The solution should be applicable to every daily life electrical appliances.
