Solid State Relay (SSR) Crydom CN240A24: Eur 10.72

Same function with basic components
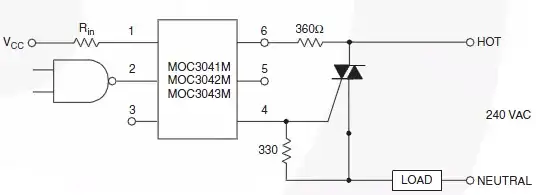
Optocoupler MOC3043 (zero-crossing detect, triac out): Eur 0.726
Triac BTA06-600CWRG (snubberless): Eur 1.16
2 resistors: Eur 0.212
Total for the second solution: Eur 2.10, or 80% less than the SSR solution. Prices from the Mouser catalogue. Similar devices from other manufacturers have similar prices (quick check).
So, the question is: what's so special about Solid State Relays that they cost so much?
edit
I guess at Crydom the LED and photo-triac are bonded directly to the thin PCB. Packaged components may be used for small production runs, though.