I'm having a problem finding the right circuit/device for a circuit I need to make (I'm quite a noob). It doesn't matter what the input voltage is, but I need an output voltage which I can digitally change from 0 (or at least the lowest possible) to 12 volts. It needs to be able to handle 5 amps and sudden changes in the output voltage. Since I don't know how such a circuit is called, I have no idea if it has been asked before. Please tell me how I can make this or at least how this sort of thing is called.
-
Voltage regulator? – NatureShade Dec 29 '14 at 14:08
-
Is the input voltage sometimes lower than the output voltage? Or is it always higher? – Will Dec 29 '14 at 14:15
-
When you say "sudden changes in the output voltage", do you mean sudden changes in the load which can't affect the output voltage, or do you mean that you may need to make very fast changes in the output voltage regardless of load? If the latter, just how fast a change do you need? 0.1 second?, 1 msec, 1 usec? It makes a difference. And what were you thinking when you specified "digitally change"? Serial link? A single bit which switches between two predetermined levels? A 12-bit digital word which provides 4096 possible subdivisions? Details, please, lots of details. – WhatRoughBeast Dec 29 '14 at 14:16
-
I mean changes in the millisecond area – thijmen321 Dec 29 '14 at 14:42
-
OK, but please respond to the other questions as well. – WhatRoughBeast Dec 29 '14 at 14:43
-
I have searched for the right voltage regulator but all can't handle the 5a, and no, the input voltage is not going to be lower then the output voltage (unless you know something that requires it to be lower). – thijmen321 Dec 29 '14 at 14:50
-
Thijmen, the IC I mentioned in my answer is a 5A regulator and was the first result on a '5A regulator IC' search on Google. – Dec 29 '14 at 17:09
2 Answers
You want a switching regulator with an enable pin. A step up or boost regulator, or a step down buck regulator, depending on your input voltage supply. Most will have 80% or higher efficiency, but you still need to make sure your input power supply can meet or exceed that. 12v 5A is 60W, so your input should be a 72W power supply. I'd go with a 6A regulator too because you don't want to push a 5A one to the limit.
The enable pin allows you to turn on and off the supply with digital logic.
- 73,027
- 7
- 93
- 209
-
-
Many can support variable output voltage with a reference pot like Camil answer shows, while others allow for PWM on the enable pin. Both will have timing numbers in their data sheets to show how quick they respond. – Passerby Dec 29 '14 at 15:08
That sort of thing is called a power supply and typically uses a voltage regulator to stabilize the output. Without fancy converter circuitry you would need the input to be higher than 12V, say 15V for example.
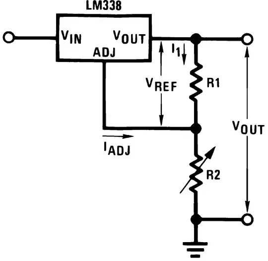
There's the LM138/338 voltage regulator which regulates a voltage according to the values of two resistors:

The output voltage is determined by the formula on page 7 of the datasheet.
You could use a digital resistor or digital potentiometer for R2 and thus make the regulation digital.
There's one problem: this IC needs a reference voltage (VREF) of 1.25V to work properly, which means that the minimum output voltage is 1.25V. You will therefore not be able to regulate the output from 0-12V but from 1.25-12V.
-
-
There's no 5A current there. The resistors will handle only a small current needed by the regulator to operate correctly, the 5A goes through the load. – Dec 29 '14 at 14:52
-
3V or more at 5A, that's 15+ Watts of wasted power... hope the heat sink is good enough. A linear regulator is probably not the answer here – Passerby Dec 29 '14 at 15:17